2D & Working Drawings

Home ARCHITECTURAL SERVICES 2D & Working Drawings

MB Formation – Professional 2D & Working Drawings Service

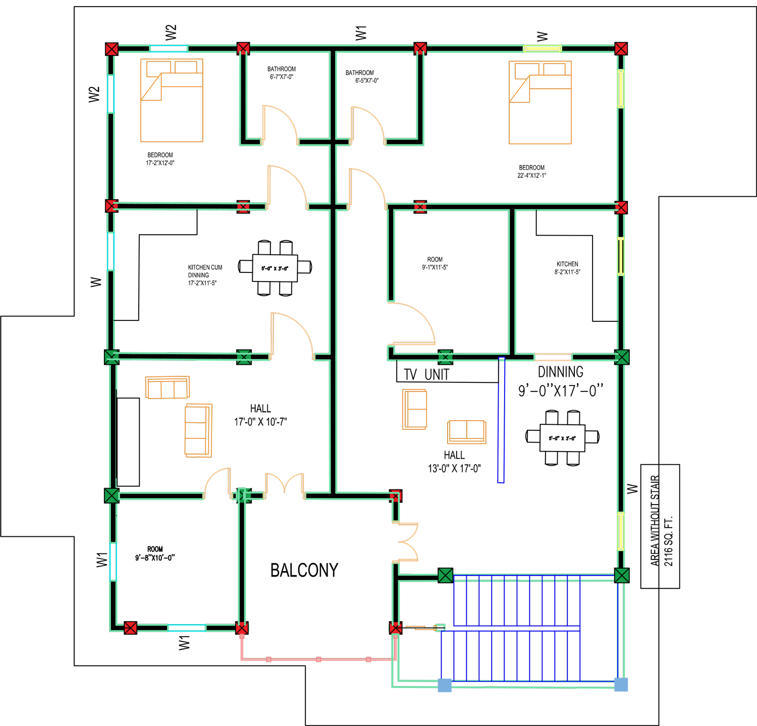
At MB Formation, we specialize in delivering precise, detailed, and industry-standard 2D and Working Drawings that bring clarity and accuracy to your interior and architectural projects. Our focus is on creating drawings that not only illustrate design intent but also act as a solid execution guide for contractors, fabricators, and on-site teams.

We provide complete working drawing packages that include layout plans, electrical drawings, plumbing details, false ceiling plans, furniture detailing, elevations, sections, and all other technical sheets required for smooth project execution. Every drawing is crafted with meticulous attention to detail, ensuring the exact measurements, specifications, and technical accuracy needed for flawless results.

With a strong understanding of modern design principles and construction standards, MB Formation ensures that all drawings are easy to read, well-structured, and aligned with practical site conditions. Whether it’s a residential home, commercial space, office, or retail interior, our drawings support seamless coordination between designers, engineers, and contractors.